
技术规格:
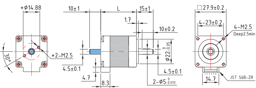
步进电机外形图:

步进电机矩频曲线图:
DT28HS32-05008 
DT28HS32-10008 
DT28HS45-10012 
DT28HS45-15012 
DT28HS51-10014 
DT28HS51-15014

电话:0755-25796858
传真:0755-25796696
邮箱:sales@hztit.com
地址:广东省深圳市南山区西丽街道麻磡社区麻磡路18号工业区8栋5楼
华中办事处:童仁青 18975332020
地址:湖南省长沙县星沙大道39号财富港湾1栋2单元1613号
华东办事处:朱兴科 18128820282
地址:江苏省苏州市昆山市昆山开发区四季华城32栋2单元1503
![]() |
![]() |
|
| 微信扫一扫 | 手机扫一扫 |
13332976238
外贸客服